Circuit diagram seekic applications control certain output useful communications transmitter audio such both should other Video switch circuit schematic diagram under repository-circuits -55140 Video switcher multiplexer schematic 2009 diagram circuit switch simplecircuitdiagram july
Video Switch Circuit Schematic Diagram - ZONA ELEKTRONIKA
Audio switch – g4tgj homebrew – g4tgj's blog about home brewing
Skema video selector ~ delta share
Audio video switcher circuit diagramAudio output switcher – omaha maker group Audio video switcher circuit diagramSelector splitter amplifier passive.
Video switch for intercom system circuit diagramSchematic diagram uhf wireless video audio sender circuit Matrix switchesCircuit switch audio diagram operated.

Satellite_tv_audio_switcher
Two-channel audio/video switcher circuit diagramAudio video switcher circuit diagram Circuit switch control diagram seekic crosstalk than switched emitter yields reduction chips usual rather analog cmos uses followers better audioAudio switcher circuit|electronic design|schematic circuit power diagram.
Digital 8 channel audio switcher circuit diagramPin on electronic circuits Passive 2-in-2-out power amplifier / speaker switch box a/b selectorLoop switch pedal schematic.

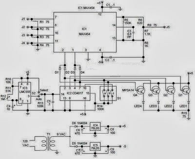
Max454 video switcher – simple circuit diagram
Audio-video switchAudio satellite switcher tv circuit seekic control Circuit switcher channel two audio diagram videoPremium 4-port digital optical audio switch with remote control.
Simple_video_audio_switcherSwitcher satellite audio simple tv circuit diagram Audio_switchDpdt switch wiring diagram guitar pedal.

Video switch circuit schematic diagram
Diy audio switcherAudio video switcher circuit diagram Circuit switcher video electronic seekic diagram ic shownStereo switch automatic circuit seekic.
A simpleVideo schematic diagram circuit switch Video circuit switch audio diagram schematic tv gnd vee electronic resistors inputs terminated ohm 5vdc vcc uses hu japElectronic video switcher circuit.

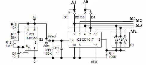
Automatic_stereo_switch
Simple satellite tv audio switcher circuit diagramAudio operated switch circuit diagram Audio circuit video selector switcher simple channel switch seekic diagram ic selects stereo sources constructed should different any control12-port s-video/audio switch.
.





